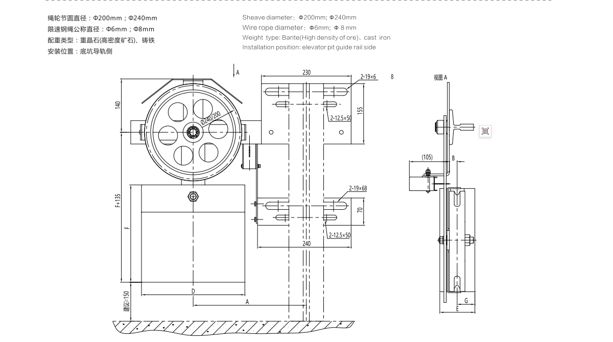
Elevator OX-300 Tension Device

Elevator OX-300 Tension Device 
Part no:OX-300
Category :
0
Inquire for more cooperation or product information.
We will contact you within 1 working day, please check your email.
Name
Mail
Mobile phone
Message
Send

Tongda

We reply immediately
Welcome to our website. Ask us anything 🎉

Start Chat with: